开云电子体育

推荐产品

软密封涡轮法兰蝶阀 D342X-10Q

2018-01-26 12:25:00 来源:本站 浏览:5572


【产品用途

D342X型法兰式软密封蝶阀主要适用于工作温度≤120℃的水厂、电厂、钢厂冶炼、造纸、化工、饮食等系统供排水用,尤为适用自来水管路上作为调节流量设备使用。软密封蝶阀也适用于如轻纺、造纸、食品、医药、化工、石油、电力、等给排水、气体管道上。

产品特点:

D342X系列法兰式软密封蝶阀产品由橡胶密封蝶阀和碳钢或不锈钢阀板、阀杆构成,软密封蝶阀适用于温度≤120℃如轻纺、造纸、食品、医药、化工、石油、电力、等给排水、气体管道上作调节流量和截流介质的作用。

结构特点:】

设计新颖合理、结构独特,重量轻,启闭迅速。

2、操力矩小,操作方便,省力灵巧。

3、可以任何位置安装,维修方便。

4、密封件可以更换,密封性能可靠达到双向密封零泄漏。

5、密封材料耐老化、耐腐蚀,使用寿命长等特点。

【标准规范

设计制造标准:GB/T 12238-2008

结构长度标准:GB/T 12221-2005

连接法兰标准:GB/T 9113

压力温度等级:GB/T 12224-2005

试验检验标准:GB/T 13927-2008


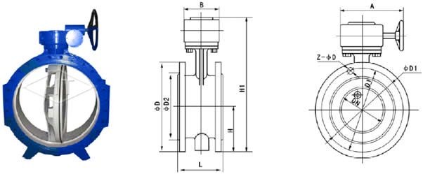
主要外形连接尺寸 单位:mm


DN

主要外形连接尺寸

法兰尺寸和螺栓孔尺寸

L

H

H1

A

B

0.6MPa

1.0MPa

1.6MPa

D

D1

D2

n-d

D

D1

D2

n-d

D

D1

D2

n-d

50

108

82.5

338

180

65

140

110

88

4-14

185

125

99

4-18

165

125

99

4-18

65

112

92.5

358

180

65

160

130

108

4-14

185

145

118

4-18

185

145

118

4-18

80

114

100

413

245

72

190

150

124

4-18

200

160

132

8-18

200

160

132

8-18

100

127

110

428

240

72

210

170

144

4-18

220

180

156

8-18

220

180

156

8-18

125

140

125

444

240

72

240

20

174

8-18

250

210

184

8-18

250

210

184

8-18

150

140

142.5

553

350

93

265

225

199

8-18

285

240

211

8-22

285

240

211

8-22

200

152

170

678

350

93

320

280

254

8-18

340

295

266

8-22

340

295

266

12-22

250

165

192.5

742

550

350

375

335

309

12-18

395

350

319

12-22

405

355

319

12-26

300

178

222.5

803

600

350

440

395

363

12-22

445

400

370

12-22

460

410

370

12-26

350

190

252.5

866

600

350

490

445

413

12-22

505

460

429

16-22

520

470

429

16-26

400

216

282.5

940

600

350

540

495

463

16-22

565

515

480

16-26

580

525

480

16-30

450

222

307.5

995

750

380

595

550

518

16-22

615

565

530

20-26

640

585

548

20-30

500

229

335

1058

750

380

645

600

568

20-22

670

620

582

20-26

715

650

609

20-33

600

267

390

1163

750

380

755

705

667

20-26

780

725

682

20-30

840

770

720

20-36

700

292

447.5

1283

750

380

860

810

772

24-26

895

840

794

24-30

910

840

794

24-36

800

318

507.5

1398

750

380

975

920

878

24-30

1015

950

901

24-33

1025

950

901

24-39

900

330

557.5

1498

1250

380

1075

1020

978

24-30

1115

1050

1001

28-33

1125

1050

1001

28-39

1000

410

615

1608

1500

580

1175

1120

1078

28-30

1230

1160

1112

28-36

1255

1170

1112

28-42

1200

470

727.5

1876

1500

580

1405

1340

1295

32-33

1455

1380

1328

32-39

1485

1390

1328

32-48


下一篇:金属硬密封蝶阀D343H型
华体会_平台华体会(中国)一站式服务平台 米兰平台-米兰官方网站(中国) 华体会体育-足球篮球直播平台 乐动官方端网页版-乐动(中国) 押球在线(中国)唯一官方网站 大小球平台_大小球平台(中国) 米兰平台_米兰平台(中国)股份有限公司 HTH华体会体育登录入口hth.com 玩彩网-开云电子体育 线上现金买球登录-现金买球